K8凯发国际

    NZ086系列 转子法兰导电防水滑环
    NZ086系列 转子法兰导电防水滑环
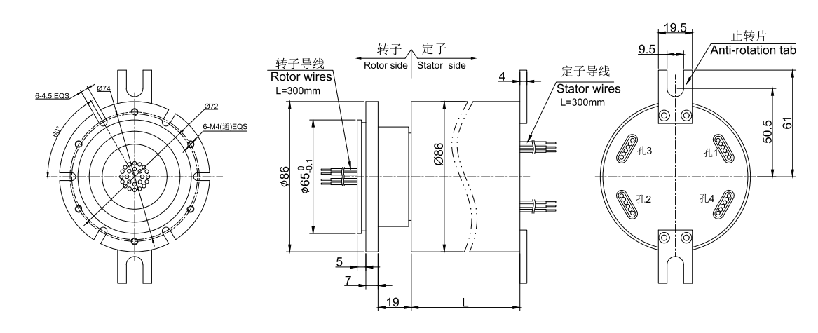
    • NZ086系列转子法兰防水导电滑环是外径86mm的转子部分 带连接法兰的一系列防水滑环的总称,实心滑环,适用于法 兰端面安装。

    典型应用:

    工业机器加工中心、旋转工作台、重型设备塔台、电缆卷盘、包装设备、磁性离合器、工艺控制设备、旋转传感器、紧急照明设备、机器人、展览/显示设备、医疗设备、旋转门等;

    型号订购说明:


    技术规格参数
    机械技术指标电气技术指标
    参数数值参数数值
    工作寿命参考产品选型等级功率信号
    额定转速100RPM额定电压0~400VAC/VDC0~440VAC/VDC
    工作温度-30°C~80°C/-45°C~80°C绝缘电阻≥1000MΩ/500VDC≥1000MΩ/500VDC
    工作湿度0~85%RH/0~97%RH导线规格1mm2线缆1mm2线缆
    接触材料参考产品选型等级导线长度标准长度300mm(可据要求调整)
    壳体材料铝合金/工程塑料绝缘强度500VAC@50Hz,60s
    转动扭矩0.1N.m;+0.03N.m/6路动态电阻变化值<0.01Ω
    防护等级IP66/IP68



    MZ086系列滑环选型表
    型号10A信号或5A长度 L(mm)型号10A信号或5A长度 L(mm)
    NZ086-S06-IP660662.2NZ086-S06-IP680687.2
    NZ086-P0610-IP666062.2NZ086-P0610-IP686087.2
    NZ086-S12-IP6601282.6NZ086-S12-IP68012107.6
    NZ086-P0610-S06-IP666682.6NZ086-P0610-S06-IP6866107.6
    NZ086-P1210-IP6612082.6NZ086-P1210-IP68120107.6
    NZ086-S18-IP66018103NZ086-S18-IP68018128
    NZ086-P0610-S12-IP66612103NZ086-P0610-S12-IP68612128
    NZ086-P01210-S06-IP66126103NZ086-P01210-S06-IP68126128
    NZ086-P1810-IP66180103NZ086-P1810-IP68180128
    NZ086-S24-IP66024123.4NZ086-S24-IP68024148.4
    NZ086-P0610-S18-IP66618123.4NZ086-P0610-S18-IP68618148.4
    NZ086-P1210-S12-IP661212123.4NZ086-P1210-S12-IP681212148.4
    NZ086-P1810-S06-IP66186123.4NZ086-P1810-S06-IP68186148.4
    NZ086-P2410-IP66240123.4NZ086-P2410-IP68240148.4
    NZ086-S30-IP66030143.8NZ086-S30-IP68030168.8
    NZ086-P0610-S24-IP66624143.8NZ086-P0610-S24-IP68624168.8
    NZ086-P1210-S18-IP661218143.8NZ086-P1210-S18-IP681218168.8
    NZ086-P1810-S12-IP661812143.8NZ086-P1810-S12-IP681812168.8
    NZ086-P2410-S06-IP66246143.8NZ086-P2410-S06-IP68246168.8
    NZ086-P3010-IP66300143.8NZ086-P3010-IP68300168.8
    NZ086-S36-IP66036167.2NZ086-S36-IP68036192.2
    NZ086-P0610-S30-IP66630167.2NZ086-P0610-S30-IP68630192.2
    NZ086-P1210-S24-IP661224167.2NZ086-P1210-S24-IP681224192.2
    NZ086-P1810-S18-IP661818167.2NZ086-P1810-S18-IP681818192.2
    NZ086-P2410-S12-IP662412167.2NZ086-P2410-S12-IP682412192.2
    NZ086-P3010-S06-IP66306167.2NZ086-P3010-S06-IP68306192.2
    NZ086-P3610-IP66360167.2NZ086-P3610-IP68360192.2
    NZ086-S42-IP66042187.6NZ086-S42-IP68042212.6
    NZ086-P0610-S36-IP66636187.6NZ086-P0610-S36-IP68636212.6
    NZ086-P1210-S30-IP661230187.6NZ086-P1210-S30-IP681230212.6
    NZ086-P1810-S24-IP661824187.6NZ086-P1810-S24-IP681824212.6
    NZ086-P2410-S18-IP662418187.6NZ086-P2410-S18-IP682418212.6
    NZ086-P3010-S12-IP663012187.6NZ086-P3010-S12-IP683012212.6
    NZ086-P3610-S06-IP66366187.6NZ086-P3610-S06-IP68366212.6
    NZ086-P4210-IP66420187.6NZ086-P4210-IP68420212.6
    NZ086-S48-IP66048210.2NZ086-S48-IP68048235.2
    NZ086-P0610-S42-IP66642210.2NZ086-P0610-S42-IP68642235.2
    NZ086-P1210-S36-IP661236210.2NZ086-P1210-S36-IP681236235.2
    NZ086-P1810-S30-IP661830210.2NZ086-P1810-S30-IP681830235.2
    NZ086-P2410-S24-IP662424210.2NZ086-P2410-S24-IP682424235.2
    NZ086-P3010-S18-IP663018210.2NZ086-P3010-S18-IP683018235.2
    NZ086-P3610-S12-IP663612210.2NZ086-P3610-S12-IP683612235.2
    NZ086-P4210-S06-IP66426210.2NZ086-P4210-S06-IP68426235.2
    NZ086-P4810-IP66480210.2NZ086-P4810-IP68480235.2
    NZ086-S60-IP66060251NZ086-S60-IP68060276
    NZ086-P6010-IP66600251NZ086-P6010-IP68600276

    注:N个10A 电流环并起来可作为1路N*10A电流环使用;比如: 2环10A 并起来做作为 1路20A 使用。
    10A和信号(5A) 可以任意组合,详细请咨询客服。转子法兰滑环,可用于紧急照明设备、机器人、展览/显示设备可在标准产品上进行非标定制,请咨询客服。

    标准图纸
    同系列更多产品参考:
    获取产品3D图纸
    X

    经过多年的经验积累,K8凯发国际拥有20万多个产品3D图档数据库,
    由于互联网的开放性和同行竞争,需要产品3D图档的客户请留下电子邮箱或者QQ。

    审核完联系方式后,我们的系统将在5分钟内把3D自动发动到您的电子邮箱!