K8凯发国际

NT038系过孔式导电防水滑环

NT038系列 过孔式导电防水滑环

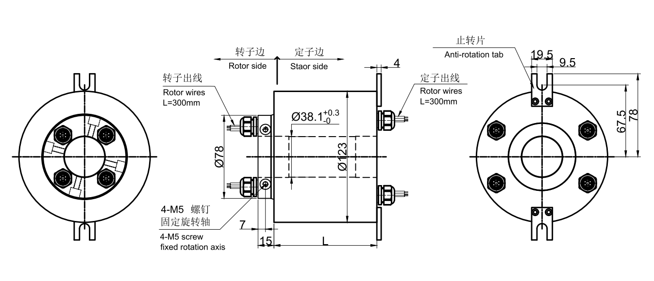
  • · 通孔直径为38.1mm(适用于<=38.1mm)的标准系列整体式精密导电防水滑环。
  • · 主要给气液管道顺利获得或旋转电机轴而设计。
  • · 采用先进的贵金属簇刷式多点接触,在极低的摩擦力下保证接触可靠。
  • · 标准化产品有库存。
  • · 支持信号,功率混合传输 。
  • · 可基于标准型号定制电路数和电流电压。
  • *注意:如需<38.1mm的的内孔,可顺利获得加内衬轴套解决

典型应用:

NT038系列是一款通孔直径为为38.1mm整体式精密导电防水滑环,主要应用于360度陆续在旋转且需要保证电源,信号不能中断的场合:多用于绕线机、激光扫描仪、管内摄影机、展览/显示设备、售餐机滑环、ccd视觉检测设备、 智能视觉系统、自动化组装机、旋转LED灯、贴标机、实验设备、生物检测仪器等任意需要360°旋转导电或传输各种控制信号的装置。

型号订购说明:


技术参数
机械技术指标电气技术指标
参数数值参数数值
额定转速100RPM功率信号
工作温度-30°C~80°C / -45°C-80°C(军工可选)额定电压0~690VAC/VDC0~440VAC/VDC
工作湿度0~85% RH / 0-97% RH(军工可选)绝缘电阻≥1000MΩ/1000VDC≥1000MΩ/500VDC
壳体材料铝合金/铝合金+不锈钢导线规格1mm2线缆0.2mm2线缆
防护等级IP66/IP68导线长度标准长度300mm(可据要求调整)
绝缘强度1000VAC@50Hz,60s
动态电阻变化值<0.01Ω



Nt038系列过孔防水滑环选型表
型号10A信号或5A长度 L(mm)型号10A信号或5A长度 L(mm)
NT038-S06-IP660693.6NT038-S06-IP680696.6
NT038-P0610-IP666093.6NT038-P0610-IP686096.6
NT038-S12-IP66012116.4NT038-S12-IP68012119.4
NT038-P0610-S06-IP6666116.4NT038-P0610-S06-IP6866119.4
NT038-P1210-IP66120116.4NT038-P1210-IP68120119.4
NT038-S18-IP66018139.2NT038-S18-IP68018142.2
NT038-P0610-S12-IP66612139.2NT038-P0610-S12-IP68612142.2
NT038-P01210-S06-IP66126139.2NT038-P01210-S06-IP68126142.2
NT038-P1810-IP66180139.2NT038-P1810-IP68180142.2
NT038-S24-IP66024162NT038-S24-IP68024165
NT038-P0610-S18-IP66618162NT038-P0610-S18-IP68618165
NT038-P1210-S12-IP661212162NT038-P1210-S12-IP681212165
NT038-P1810-S06-IP66186162NT038-P1810-S06-IP68186165
NT038-P2410-IP66240162NT038-P2410-IP68240165
NT038-S30-IP66030184.8NT038-S30-IP68030187.8
NT038-P0610-S24-IP66624184.8NT038-P0610-S24-IP68624187.8
NT038-P1210-S18-IP661218184.8NT038-P1210-S18-IP681218187.8
NT038-P1810-S12-IP661812184.8NT038-P1810-S12-IP681812187.8
NT038-P2410-S06-IP66246184.8NT038-P2410-S06-IP68246187.8
NT038-P3010-IP66300184.8NT038-P3010-IP68300187.8
NT038-S36-IP66036211.4NT038-S36-IP68036211.4
NT038-P3610-IP66360211.4NT038-P3610-IP68360214.4
NT038-S42-IP66042234.2NT038-S42-IP68042237.2
NT038-P4810-IP66480257NT038-P4810-IP68480260

注:如需每环10A以上大电流,请联系客服帮助快速选型, 支持定制

NT038 IP66

NT038 IP68

同系列更多产品参考:
获取产品3D图纸
X

经过多年的经验积累,K8凯发国际拥有20万多个产品3D图档数据库,
由于互联网的开放性和同行竞争,需要产品3D图档的客户请留下电子邮箱或者QQ。

审核完联系方式后,我们的系统将在5分钟内把3D自动发动到您的电子邮箱!