工业机器加工中心、旋转工作台、重型设备塔台、电缆卷盘、包装设备、磁性离合器、工艺控制设备、旋转传感器、紧急照明设备、机器人、展览/显示设备、医疗设备、旋转门等;

| 产品等级表 | |||
| 产品等级代号 | 最高转速 | 工作寿命 | 接触材料 |
| VC(通用级) | 250RPM | 1500万转 | 贵金属 |
| VD(工业级) | 1000RPM | 8000万转 | 镀金-镀金 |
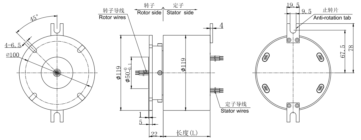
| 技术规格参数 | ||||
| 机械技术指标 | 电气技术指标 | |||
| 参数 | 数值 | 参数 | 数值 | |
| 工作寿命 | 参考产品选型等级 | 功率 | 信号 | |
| 额定转速 | 参考产品选型等级 | 额定电压 | 0~690VAC/VDC | 0~440VAC/VDC |
| 工作温度 | -30℃~80℃ | 绝缘电阻 | ≥1000MΩ/500VDC | ≥1000MΩ/500VDC |
| 工作湿度 | 0~85% RH | 导线规格 | AWG16#镀锡铁氟龙/PVC/硅胶 | AWG22#镀锡铁氟龙 |
| 接触材料 | 参考产品选型等级 | 导线长度 | 标准长度300mm(可据要求调整) | |
| 壳体材料 | 铝合金 | 绝缘强度 | 800VAC@50Hz,60s | |
| 转动扭矩 | 0.1N.m;+0.03N.m/6路 | 动态电阻变化值 | <0.01Ω | |
| 防护等级 | IP51 | |||






经过多年的经验积累,K8凯发国际拥有20万多个产品3D图档数据库,
由于互联网的开放性和同行竞争,需要产品3D图档的客户请留下电子邮箱或者QQ。
审核完联系方式后,我们的系统将在5分钟内把3D自动发动到您的电子邮箱!