K8凯发国际

    MUSB2252系列 USB滑环
    MUSB2252系列 USB滑环
    • · 2通道USB2.0+ 1~30 路 功率/信号 USB专用滑环
    • · MUSB2252系列USB滑环,内孔25.4mm,外径为标准86mm的紧凑型整体式结构的2通道 USB1.0/USB2.0整体式精密导电滑环,
    • · 能混合传输功率电流, 信号等!
    • · 具有传输稳定,不丢包,不串码,回损小,插入损耗小等优点。
    • · 美国军工镀层技术,贵金属+超硬镀金处理、超低的BER误码率和超高的信噪比。

    典型应用:

    工业机器加工中心、旋转工作台、重型设备塔台、电缆卷盘、包装设备、磁性离合器、工艺控制设备、旋转传感器、紧急照明设备、机器人、展览/显示设备、医疗设备、旋转门等;

    型号订购说明:

    技术规格参数
    USB部分技术指标机械技术指标
    参数数值参数数值
    USBUSB1.0,USB2.0工作寿命2000万转
    接头USB TYPE-A 母头额定转速600RPM
    误码率BER10E-11工作温度-30℃~80℃
    电气技术指标工作湿度0~85% RH
    参数数值接触材料金-金
    功率信号壳体材料铝合金
    额定电压0~440VAC/VDC0~440VAC/VDC转动扭矩0.1N.m;+0.03N.m/6路
    绝缘电阻≥1000MΩ/500VDC≥1000MΩ/500VDC防护等级IP51
    导线规格AWG16#镀锡铁氟龙AWG22#镀锡铁氟龙
    导线长度标准长度300mm(可据要求调整)
    绝缘强度500VAC@50Hz,60s
    动态电阻变化值<0.01Ω


    MUSB2252-2通道USB滑环系列选型表
    型号USB通道10A20A信号或5A长度 L(mm)
    MUSB2252-S02200265.6
    MUSB2252-P0210220065.6
    MUSB2252-P0220202086
    MUSB2252-S08200886
    MUSB2252-P0210-S06220686
    MUSB2252-P0610-S02260286
    MUSB2252-S1420014106.4
    MUSB2252-P141021400106.4
    MUSB2252-P0610-S082608106.4
    MUSB2252-P1010-S0421004106.4
    MUSB2252-S2020020126.8
    MUSB2252-S2620026150.2
    MUSB2252-S3220032170.6

    1) N个10A 电流环并起来可作为1路N*10A电流环使用;比如: 2环10A 并起来做作为 1路20A 使用。
    2)10A,20A,5A可根据自己的需要任何组合,请联系客服帮助选型。

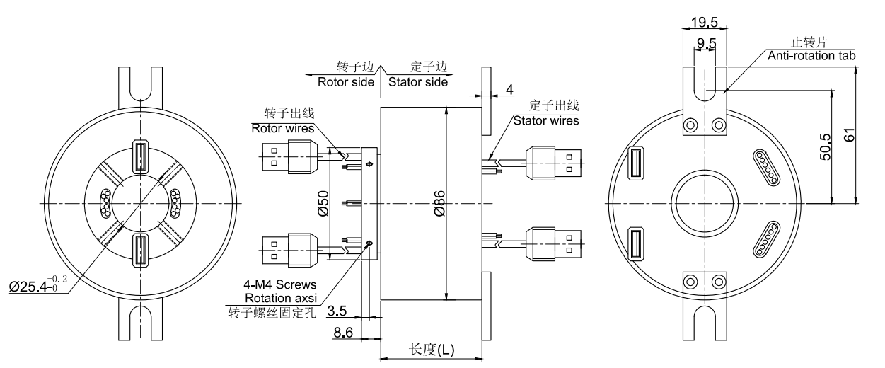
    标准图纸

    同系列更多产品参考:
    获取产品3D图纸
    X

    经过多年的经验积累,K8凯发国际拥有20万多个产品3D图档数据库,
    由于互联网的开放性和同行竞争,需要产品3D图档的客户请留下电子邮箱或者QQ。

    审核完联系方式后,我们的系统将在5分钟内把3D自动发动到您的电子邮箱!