• K8凯发国际

    MPW198系列 扁平盘式滑环
    MPW198系列 扁平盘式滑环
    • · MPW198系列盘式滑环,盘式导电滑环, 厚度仅为24.8mm,全铝合金结构,接触材料采用贵金属+超硬镀金处理,运转稳定,电阻波动小。主要应用在高度空间有限,横向空间基本不受限制的特殊空间要求。

    典型应用:

    扁平盘式滑环,主要应用对安装高度有严格限制的场合,要求360度陆续在旋转且需要保证电源,数字信号,模拟信号不能中断:如旋转门,医用CT,安检设备,以及其他工业自动化设备,智能制造设备, 焊接机器人等;

    型号订购说明:

    产品等级表
    产品等级代号最高转速工作寿命接触材料
    VC(通用级)60RPM300万转贵金属
    VD(工业级)200RPM1000万转镀金-镀金

    技术规格参数
    机械技术指标电气技术指标
    参数数值参数数值
    工作寿命参考产品选型等级功率信号
    额定转速参考产品选型等级额定电压0~220VAC/VDC0~220VAC/VDC
    工作温度-30℃~80℃绝缘电阻≥150MΩ/150VDC≥150MΩ/240VDC
    工作湿度0~85% RH导线规格AWG18#硅胶线AWG24#硅胶线
    接触材料参考产品选型等级导线长度标准长度300mm(可据要求调整)
    壳体材料铝合金绝缘强度100VAC@50Hz,60s
    转动扭矩0.1N.m;+0.03N.m/6路动态电阻变化值<0.01Ω
    防护等级IP51


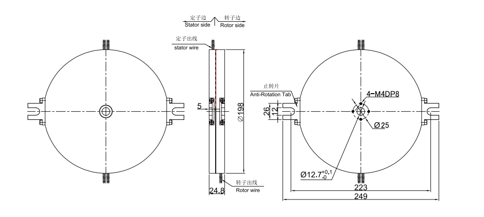
    标准图纸

    各环路导线色码表
    环道颜色环道颜色
    17
    28
    39
    4绿10绿
    511
    612

    注:6个颜色为一组,分别序号1...6, 下一组从7...12, 重复前6个颜色,每组用号码管作为组序号标识。


    同系列更多产品参考:
    获取产品3D图纸
    X

    经过多年的经验积累,K8凯发国际拥有20万多个产品3D图档数据库,
    由于互联网的开放性和同行竞争,需要产品3D图档的客户请留下电子邮箱或者QQ。

    审核完联系方式后,我们的系统将在5分钟内把3D自动发动到您的电子邮箱!