高频/同轴/波导旋转接头以前主要用于军工领域,随着军民融合政策的逐步落地, 民用产品也越来越多用到高频滑环等系列产品,主要应用于360度陆续在旋转且需要保证电源,高频波导信号不能中断的场合:如各种军用雷达,船载卫星通信装置,车载卫星通信设备,卫星车,应急救灾指挥车,高端机器人、车辆上的转动炮塔、远程控制系统、雷达天线、医疗系统、视频监视系统、保障国家或国际安全系统海底作业系统、紧急照明设备、机器人、展览/显示设备等;

| 技术规格参数 | ||||
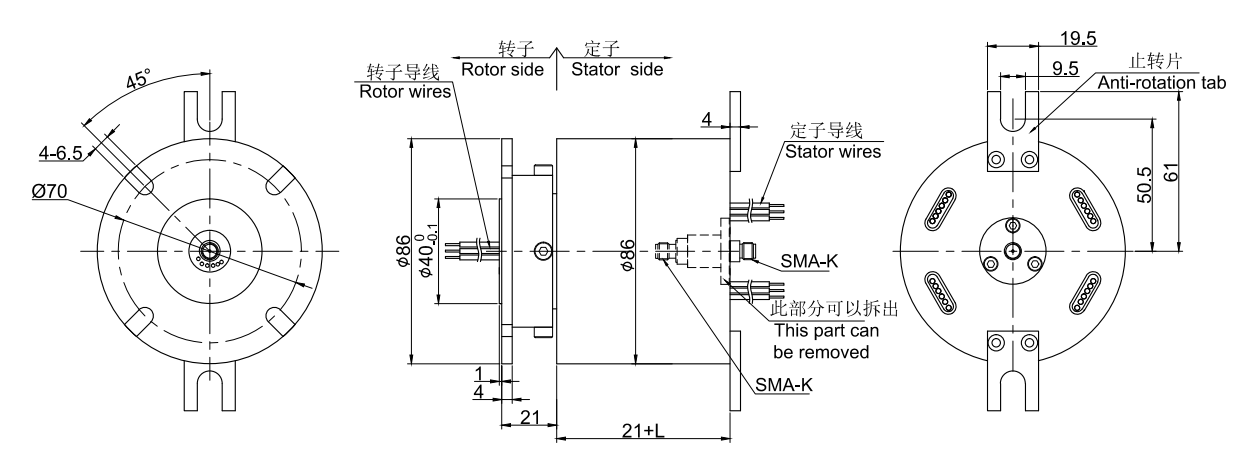
| 高频部分技术指标 | 机械技术指标 | |||
| 参数 | 数值 | 参数 | 数值 | |
| 频率 | 0~30GHz | 工作寿命 | 500万转 | |
| 额定功率 | 20W | 额定转速 | 150RPM | |
| 驻波比VSWR | <1.3 | 工作温度 | -30℃~80℃ | |
| 插入损耗 | 0.3db | 工作湿度 | 0~85% RH | |
| 驻波比VSWR波动 | <0.05 | 接触材料 | 金-金 | |
| 插入损耗波动 | 0.05db | 壳体材料 | 铝合金 | |
| 接头类型 | SMA | 转动扭矩 | 0.1N.m;+0.03N.m/6路 | |
| 特性阻抗 | 50Ω | 防护等级 | IP51 | |
| 电气技术指标 | ||||
| 参数 | 数值 | |||
| 功率 | 信号 | |||
| 额定电压 | 0~690VAC/VDC | 0~440VAC/VDC | ||
| 绝缘电阻 | ≥1000MΩ/500VDC | ≥1000MΩ/500VDC | ||
| 导线规格 | AWG16#镀锡铁氟龙 | AWG22#镀锡铁氟龙 | ||
| 导线长度 | 标准长度300mm(可据要求调整) | |||
| 绝缘强度 | 500VAC@50Hz,60s | |||
| 动态电阻变化值 | <0.01Ω | |||








经过多年的经验积累,K8凯发国际拥有20万多个产品3D图档数据库,
由于互联网的开放性和同行竞争,需要产品3D图档的客户请留下电子邮箱或者QQ。
审核完联系方式后,我们的系统将在5分钟内把3D自动发动到您的电子邮箱!