工业机器加工中心、旋转工作台、重型设备塔台、电缆卷盘、包装设备、磁性离合器、工艺控制设备、旋转传感器、紧急照明设备、机器人、展览/显示设备、医疗设备、旋转门等;

| 产品等级表 | |||
| 产品等级代号 | 最高转速 | 工作寿命 | 接触材料 |
| VC(通用级) | 150RPM | 1000万转 | 镀金-镀金 |
| VD(工业级) | 600RPM | 2000万转 | 金合金 |
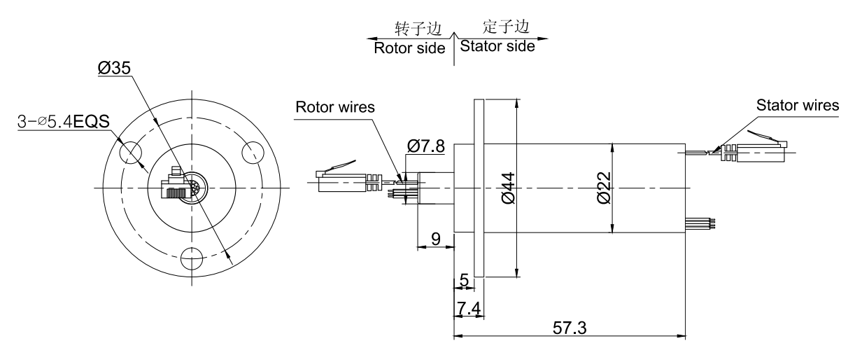
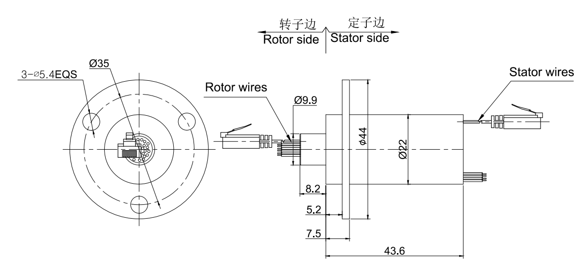
| 技术规格参数 | ||||
| 以太网部分技术指标 | 机械技术指标 | |||
| 参数 | 数值 | 参数 | 数值 | |
| 1000M以太网 | 1 路 1000M以太网 | 工作寿命 | 参考产品选型等级 | |
| 接头 | RJ45 | 额定转速 | 参考产品选型等级 | |
| 误码率BER | 10E-11 | 工作温度 | -30℃~80℃ | |
| 电气技术指标 | 工作湿度 | 0~85% RH | ||
| 参数 | 数值 | 接触材料 | 参考产品等级选型表 | |
| 功率 | 信号 | 壳体材料 | 工程塑料/工程塑料+铝合金 | |
| 额定电压 | 0~440VAC/VDC | 0~440VAC/VDC | 转动扭矩 | 0.1N.m;+0.03N.m/6路 |
| 绝缘电阻 | ≥1000MΩ/500VDC | ≥1000MΩ/500VDC | 防护等级 | IP51 |
| 导线规格 | AWG28#镀锡铁氟 | AWG28#镀锡铁氟龙 | ||
| 导线长度 | 标准长度300mm(可据要求调整) | |||
| 绝缘强度 | 500VAC@50Hz,60s | |||
| 动态电阻变化值 | <0.01Ω | |||












经过多年的经验积累,K8凯发国际拥有20万多个产品3D图档数据库,
由于互联网的开放性和同行竞争,需要产品3D图档的客户请留下电子邮箱或者QQ。
审核完联系方式后,我们的系统将在5分钟内把3D自动发动到您的电子邮箱!