K8凯发国际

MB250F系列 工业总线滑环(高速传输)
MB250F系列 工业总线滑环(高速传输)
  • · 工业总线滑环,ProfiNET滑环,DeviceNet导电滑环集电环端面法兰安装,外径86mm的标准系列整体式精密工业总线滑环
  • · 支持的总线类型有:Profibus, CanBUS,CANOPEN, DeviceNET, CC-LINK, ProfiNET, EtherCAT等等
  • · *注意:如需<86mm的内孔,可顺利获得加内衬轴套解决。

典型应用:

MB-工业总线滑环是针对各类总线(包括CC-LINK、EtherCAT、EnterBUS,CanBUS、ProfiBUS、ProfiNET、DeviceNet,RS422、RS485、PLC)等而设计开发的一款工业总线专用滑环,采用特殊工艺的复合镀层工艺,保证接触的长期可靠性,保证不丢包不报警,不延时。主要应用于工业自动化控制中的各类编码器,伺服电机以及各类控制器之间的总线通讯,如锂电池设备,各类高端智能化设备,各类激光类设备等;

型号订购说明:


产品等级表
产品等级代号最高转速工作寿命接触材料
VC(通用级)200RPM1500万转贵金属
VD(工业级)600RPM8000万转镀金-镀金
VH(高端级)1000RPM1.5亿转金合金

技术规格参数
机械技术指标电气技术指标
参数数值参数数值
工作寿命参考产品选型等级功率信号
额定转速参考产品选型等级额定电压0~440VAC/VDC0~440VAC/VDC
工作温度-30℃~80℃绝缘电阻≥1000MΩ/500VDC≥1000MΩ/500VDC
工作湿度0~85% RH导线规格AWG16#镀锡铁氟龙AWG22#或者总线电缆
接触材料参考产品选型等级导线长度标准长度300mm(可据要求调整)
壳体材料铝合金绝缘强度500VAC@50Hz,60s
转动扭矩0.1N.m;+0.03N.m/6路动态电阻变化值<0.01Ω
防护等级IP51



MB250F系列工业总线滑环选型表
型号10A信号或5A总线数量总线类型长度 L(mm)
MB250F-01P001Profibus总线45.2
MB250F-01E001EtherCAT总线45.2
MB250F-01C001CANBUS总线45.2
MB250F-01N001CANOPEN总线45.2
MB250F-01D001DeviceNET总线45.2
MB250F-01K001CC-LINK总线45.2
MB250F-01F001ProfiNET总线45.2
MB250F-P0610-S06-01P661Profibus总线86
MB250F-P0610-S06-01E661EtherCAT总线86
MB250F-P0610-S06-01C661CANBUS总线86
MB250F-P0610-S06-01N661CANOPEN总线86
MB250F-P0610-S06-01D661DeviceNET总线86
MB250F-P0610-S06-01K661CC-LINK总线86
MB250F-P0610-S06-01F661ProfiNET总线86

注:N个10A 电流环并起来可作为1路N*10A电流环使用;比如: 2环10A 并起来做作为 1路20A 使用。
10A和信号(5A) 可以任意组合,详细请咨询客服。工业总线滑环,ProfiNET滑环,DeviceNet导电滑环集电环可在标准产品上进行非标定制,请咨询客服。

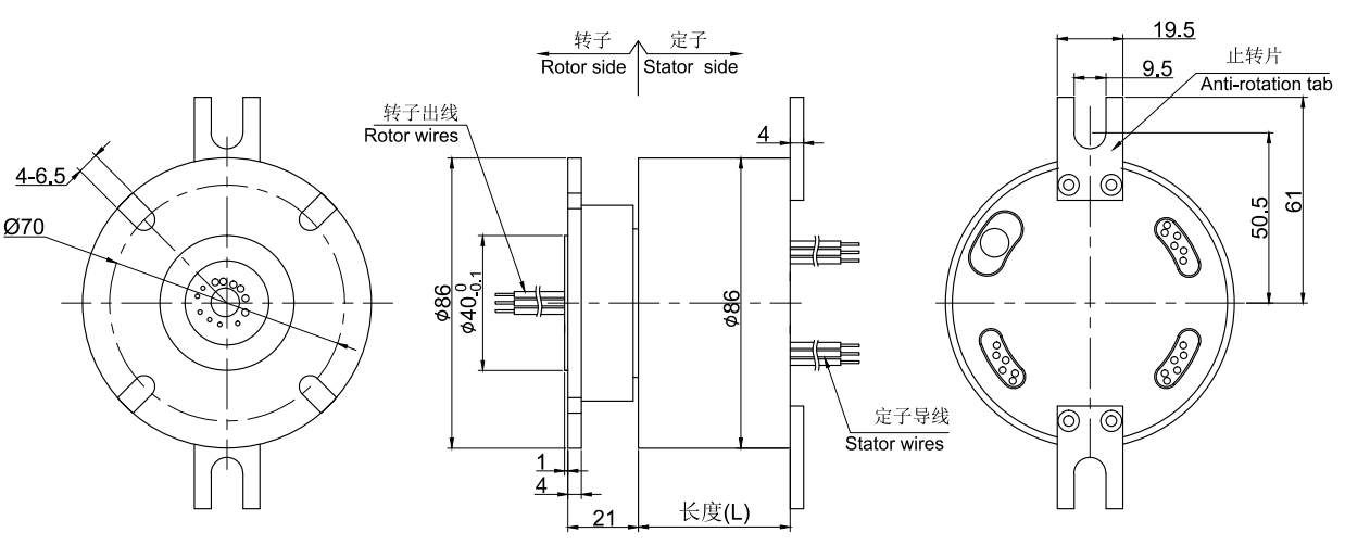
标准图纸
同系列更多产品参考:
获取产品3D图纸
X

经过多年的经验积累,K8凯发国际拥有20万多个产品3D图档数据库,
由于互联网的开放性和同行竞争,需要产品3D图档的客户请留下电子邮箱或者QQ。

审核完联系方式后,我们的系统将在5分钟内把3D自动发动到您的电子邮箱!