K8凯发国际

GHS2586系列高转速导电滑环
GHS2586系列高转速导电滑环
  • · 高速过孔导电滑环,整体精密导电滑环,内孔25mm,外径86mm,最高转速9000RPM。
  • · 采用先进的贵金属簇刷式多点接触,在极低的摩擦力下保证接触可靠。
  • · 标准化产品,有库存
  • · 镀金环+合金刷(镀金)

典型应用:

高速导电滑环的应用领域很多,比如雷达系统、高速转台/海工设备、舰艇系统/医疗设备/反应釜、旋转灯箱、奶制品生产设备、直升机、绕线机、坦克、智能动态玩具、水平镀铜生产线、游乐设施、路桥机械、机械手臂、旋转舞台、单晶炉、 手术灯、智能家电、圆形针织机、航空设备/热滚轮、旋转摄像机、雷达通讯设备、管内摄像机、盾构机、食品机械、加热转轴等;

型号订购说明:


技术规格参数
机械技术指标电气技术指标
参数数值参数数值
工作寿命3亿转功率信号
额定转速12000RPM额定电压0~690VAC/VDC0~440VAC/VDC
工作温度-30℃~80℃绝缘电阻≥1000MΩ/500VDC≥1000MΩ/500VDC
工作湿度0~85% RH导线规格AWG16#镀银铁氟龙AWG22#镀银铁氟龙
接触材料贵金属导线长度标准长度300mm(可据要求调整)
壳体材料铝合金绝缘强度500VAC@50Hz,60s
转动扭矩0.1N.m;+0.03N.m/6路动态电阻变化值<0.03Ω
防护等级IP51



GHS2586系列高速滑环选型表
型号10A信号或5A长度 L(mm)型号10A信号或5A长度 L(mm)
GHS2586-S060655.6 GHS2586-S30030151.8
GHS2586-P0210-S042455.6 GHS2586-P0610-S24624151.8
GHS2586-P0410-S024255.6 GHS2586-P1210-S181218151.8
GHS2586-P06106055.6 GHS2586-P1810-S121812151.8
GHS2586-S1201278.4 GHS2586-P2410-S06246151.8
GHS2586-P0210-S1021078.4 GHS2586-P3010300151.8
GHS2586-P0410-S084878.4 GHS2586-S36036174.6
GHS2586-P0610-S066678.4 GHS2586-P0610-S30630174.6
GHS2586-P0810-S048478.4 GHS2586-P1210-S241224174.6
GHS2586-P1010-S0210278.4 GHS2586-S1810-S181818174.6
GHS2586-P121012078.4 GHS2586-P2410-S122412174.6
GHS2586-S18018101.2 GHS2586-P3610360174.6
GHS2586-P0210-S16216101.2 GHS2586-S48048220.2
GHS2586-P0410-S14414101.2 GHS2586-P10610-S42642220.2
GHS2586-P0610-S12612101.2 GHS2586-P1210-S361236220.2
GHS2586-P0810-S10810101.2 GHS2586-P1810-S301830220.2
GHS2586-P1010-S08108101.2 GHS2586-P2410-S242424220.2
GHS2586-P1210-S06126101.2 GHS2586-S60060270.8
GHS2586-P1410-S04144101.2 GHS2586-P0610-S54654270.8
GHS2586-P1610-S02162101.2 GHS2586-P1210-S481248270.8
GHS2586-S24024124 GHS2586-P1810-S421842270.8
GHS2586-P1610-S18618124 GHS2586-P2410-S362436270.8
GHS2586-P1210-S121212124 GHS2586-S72072316.4
GHS2586-P0810-S06186124 GHS2586-S84084365
GHS2586-P2410240124 GHS2586-S96096410.6

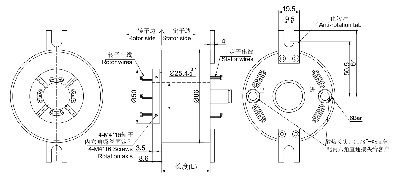
标准图纸

同系列更多产品参考:
获取产品3D图纸
X

经过多年的经验积累,K8凯发国际拥有20万多个产品3D图档数据库,
由于互联网的开放性和同行竞争,需要产品3D图档的客户请留下电子邮箱或者QQ。

审核完联系方式后,我们的系统将在5分钟内把3D自动发动到您的电子邮箱!